Задвижка клиновая фланцевая Bohamet ZK1 (арт. 10.850.14)
Производитель:
Наличие:
Предзаказ
Технические параметры
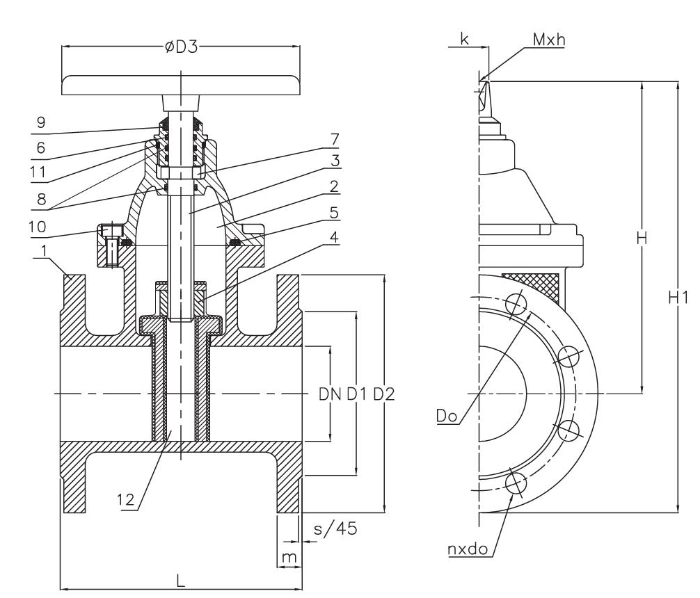
Длина застройки по PN-EN 558 + A1:2012 Задвижка типa ZK1 002/F5 - ряд 15 Обозначение по каталогу: 10.850.15.DN - GJL Задвижка типa ZK1 111/F4 - ряд 14 Обозначение по каталогу: 10.850.14.DN - GJL Требования к фланцевым соединениям по: PN-EN 1092-2:1999 Класс герметичности А Рабочее давление (PFA): 10 бар (GJL) Температура рабочей среды: 0 - 70˚ C
Конструктивные особенности
Уплотнения стержня: О-образными кольцами - 4 шт. заменяемый в действующем водопроводе „СУХАЯ РЕЗЬБА” Болты соединяющие крышки с корпусом защищены уплотняющей массой Подшипниковый шпиндель выполнен из нержавеющей стали, с накатанной резьбой Клин вулканизированный на всей поверхности, с заменяемой гайкой Прямой проход без гнезда Все елементы защищены от коррозии Стандартное исполнение: PN10, 70° C, EPDM, эпоксидная краска RAL5015 250мкм, без штурвала Сертификат Гигиены (PZH) Прочность на разрыв: мин. 3 кВ при 250 μм Требования и исследования в соответствии с PN-EN 1074-1,2:2002 Размер втулки стержня, по: PN-M 74202:1996
Назначение
Для перекрытия потока в водопроводных сетях, сетях передачи питьевой воды и других химических нейтральных жидкостей.
Длина застройки по PN-EN 558 + A1:2012 Задвижка типa ZK1 002/F5 - ряд 15 Обозначение по каталогу: 10.850.15.DN - GJL Задвижка типa ZK1 111/F4 - ряд 14 Обозначение по каталогу: 10.850.14.DN - GJL Требования к фланцевым соединениям по: PN-EN 1092-2:1999 Класс герметичности А Рабочее давление (PFA): 10 бар (GJL) Температура рабочей среды: 0 - 70˚ C
Конструктивные особенности
Уплотнения стержня: О-образными кольцами - 4 шт. заменяемый в действующем водопроводе „СУХАЯ РЕЗЬБА” Болты соединяющие крышки с корпусом защищены уплотняющей массой Подшипниковый шпиндель выполнен из нержавеющей стали, с накатанной резьбой Клин вулканизированный на всей поверхности, с заменяемой гайкой Прямой проход без гнезда Все елементы защищены от коррозии Стандартное исполнение: PN10, 70° C, EPDM, эпоксидная краска RAL5015 250мкм, без штурвала Сертификат Гигиены (PZH) Прочность на разрыв: мин. 3 кВ при 250 μм Требования и исследования в соответствии с PN-EN 1074-1,2:2002 Размер втулки стержня, по: PN-M 74202:1996
Назначение
Для перекрытия потока в водопроводных сетях, сетях передачи питьевой воды и других химических нейтральных жидкостей.
